电话:021-50924661
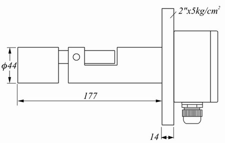
侧装浮球液位开关

产品原理:

侧装式浮球开关是利用液体浮力原理,当浮球因浮力作用而上下运动时,接线盒内的磁簧开关(或微动开关)受到臂端磁铁影响,而作"NC"接点与"NO"接点之互换。浮球有 φ40, φ44,φ50, φ75四种规格浮球,塑料材质有 PP、PVDF,可用于酸碱场所,SUS 304/316L材质适用于高温或高压桶槽,侧装、上装皆可安装,接线盒防护等级为 IP-65,接续法兰有 JIS, DIN及 ANSI等规格;牙口有 1-1/2, 2"PT, BSP或客户指定规格,耐压最高可达 50kg/cm2,耐温最高可达350℃,适用比重为 0.25~0.65g/cm3 。


  • 型号:

  • SF-10,10T,20,20T,21,30,41T,50,60,80,81

    • 螺纹型 SF-10

    • 接点容量:5A/250VAC

    • 工作温度:-30~100℃

    • 接点形式:SPDT

    • 接液材质:SUS304

    • 适用比重:0.65

    • 连接尺寸:可定制

    • 高温螺纹型 SF-10T

    • 接点容量:5A/250VAC

    • 工作温度:-30~200℃

    • 接点形式:SPDT

    • 接液材质:SUS304

    • 适用比重:0.65

    • 法兰型SF-20

    • 接点容量:5A/250VAC

    • 工作温度:-30~100℃

    • 接点形式:SPDT

    • 接液材质:SUS304

    • 适用比重:0.65

    • 法兰型SF-21

    • 接点容量:5A/250VAC

    • 工作温度:-30~200℃

    • 接点形式:SPDT

    • 接液材质:SUS304

    • 适用比重:0.65

    • 法兰高温型SF-20T

    • 接点容量:5A/250VAC

    • 工作温度:-30~200℃

    • 接点形式:SPDT

    • 接液材质:SUS304

    • 适用比重:0.65

    • 双曲型SF-30

    • 接点容量:5A/250VAC

    • 工作温度:-30~100℃

    • 接点形式:SPDT

    • 接液材质:SUS304

    • 适用比重:0.65

    • 高温型SF-41

    • 接点容量:5A/250VAC

    • 工作温度:-30~350℃

    • 接点形式:SPDT

    • 接液材质:SUS304

    • 适用比重:0.65

    • 上装法兰型SF-50

    • 接点容量:5A/250VAC

    • 工作温度:-30~100℃

    • 接点形式:SPDT

    • 接液材质:SUS304

    • 适用比重:0.65

    • 方法兰型SF-60

    • 接点容量:5A/250VAC

    • 工作温度:-30~100℃

    • 接点形式:SPDT

    • 接液材质:SUS304

    • 适用比重:0.65

    • 可定制高温型

    • PP螺纹型SF-80

    • 接点容量:5A/250VAC

    • 工作温度:-30~100℃

    • 接点形式:SPDT

    • 接液材质:PP(聚丙烯)

    • 适用比重:0.7

    • 螺纹可定制

    • PP法兰型SF-81

    • 接点容量:5A/250VAC

    • 工作温度:-30~100℃

    • 接点形式:SPDT

    • 接液材质:PP(聚丙烯)

    • 适用比重:0.7

    • 法兰可定制

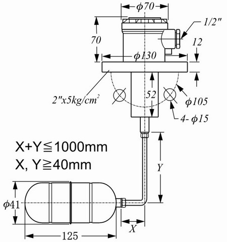
安装示意图